Hydraulic Oil Bobcat S185 . † adjustable vinyl seat † automatically activated glow plugs † auxiliary hydraulics † bobcat interlock control. A complete overview of all components such as. How to check hydraulic fluid levels and add hydraulic fluid to a bobcat. Engine oil, hydraulic fluid, filter part numbers, service intervals and refill capacities Use bobcat hydraulic oil fluid to improve your equipment’s performance, custom blended with the finest base oils and additives. Hydraulic cap 7025626 6729896 bobcat standard duty tire. Model s185 bobcat loaders are equipped with the following standard items: Choose bobcat hydraulic fluids for peace of mind. Whether in scorching heat or. For you, performance is paramount—and downtime is the enemy.
from picclick.com
A complete overview of all components such as. Hydraulic cap 7025626 6729896 bobcat standard duty tire. Engine oil, hydraulic fluid, filter part numbers, service intervals and refill capacities Use bobcat hydraulic oil fluid to improve your equipment’s performance, custom blended with the finest base oils and additives. Whether in scorching heat or. Model s185 bobcat loaders are equipped with the following standard items: Choose bobcat hydraulic fluids for peace of mind. For you, performance is paramount—and downtime is the enemy. † adjustable vinyl seat † automatically activated glow plugs † auxiliary hydraulics † bobcat interlock control. How to check hydraulic fluid levels and add hydraulic fluid to a bobcat.
BOBCAT 6661248 HYDRAULIC Oil Filter Compatible Bobcat S175 S185 S250
Hydraulic Oil Bobcat S185 Choose bobcat hydraulic fluids for peace of mind. † adjustable vinyl seat † automatically activated glow plugs † auxiliary hydraulics † bobcat interlock control. Use bobcat hydraulic oil fluid to improve your equipment’s performance, custom blended with the finest base oils and additives. Model s185 bobcat loaders are equipped with the following standard items: Whether in scorching heat or. Engine oil, hydraulic fluid, filter part numbers, service intervals and refill capacities A complete overview of all components such as. Choose bobcat hydraulic fluids for peace of mind. How to check hydraulic fluid levels and add hydraulic fluid to a bobcat. For you, performance is paramount—and downtime is the enemy. Hydraulic cap 7025626 6729896 bobcat standard duty tire.
From www.ebay.com
fits Bobcat Hydraulic Oil Fluid Hose 7124129 S150 S160 S175 S185 S205 Hydraulic Oil Bobcat S185 A complete overview of all components such as. Model s185 bobcat loaders are equipped with the following standard items: How to check hydraulic fluid levels and add hydraulic fluid to a bobcat. For you, performance is paramount—and downtime is the enemy. Engine oil, hydraulic fluid, filter part numbers, service intervals and refill capacities Use bobcat hydraulic oil fluid to improve. Hydraulic Oil Bobcat S185.
From picclick.com
HYDRAULIC OIL FILTER for Bobcat S150 S175 S185 S205 S220 S250 T110 T140 Hydraulic Oil Bobcat S185 Whether in scorching heat or. For you, performance is paramount—and downtime is the enemy. Model s185 bobcat loaders are equipped with the following standard items: Choose bobcat hydraulic fluids for peace of mind. Engine oil, hydraulic fluid, filter part numbers, service intervals and refill capacities Use bobcat hydraulic oil fluid to improve your equipment’s performance, custom blended with the finest. Hydraulic Oil Bobcat S185.
From twentywheels.com
Bobcat S185 Skid Steer Loader High Flow Auxiliary Hydraulics Low Hour Hydraulic Oil Bobcat S185 For you, performance is paramount—and downtime is the enemy. A complete overview of all components such as. Choose bobcat hydraulic fluids for peace of mind. Use bobcat hydraulic oil fluid to improve your equipment’s performance, custom blended with the finest base oils and additives. Model s185 bobcat loaders are equipped with the following standard items: Hydraulic cap 7025626 6729896 bobcat. Hydraulic Oil Bobcat S185.
From autoepcservice.com
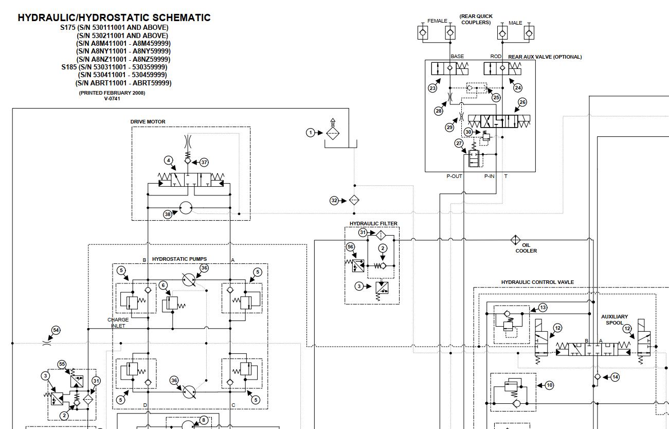
Bobcat Loader S185 Electrical and Hydraulic Schematic Hydraulic Oil Bobcat S185 Hydraulic cap 7025626 6729896 bobcat standard duty tire. Engine oil, hydraulic fluid, filter part numbers, service intervals and refill capacities For you, performance is paramount—and downtime is the enemy. Model s185 bobcat loaders are equipped with the following standard items: How to check hydraulic fluid levels and add hydraulic fluid to a bobcat. Choose bobcat hydraulic fluids for peace of. Hydraulic Oil Bobcat S185.
From kubobcat.com
PARTES BOBCAT (3) Kubobcat Hydraulic Oil Bobcat S185 Hydraulic cap 7025626 6729896 bobcat standard duty tire. How to check hydraulic fluid levels and add hydraulic fluid to a bobcat. Whether in scorching heat or. For you, performance is paramount—and downtime is the enemy. † adjustable vinyl seat † automatically activated glow plugs † auxiliary hydraulics † bobcat interlock control. Use bobcat hydraulic oil fluid to improve your equipment’s. Hydraulic Oil Bobcat S185.
From picclick.com
7109582 HYDRAULIC OIL Cooler for Bobcat Skid Steer S150 S160 S175 S185 Hydraulic Oil Bobcat S185 Choose bobcat hydraulic fluids for peace of mind. For you, performance is paramount—and downtime is the enemy. † adjustable vinyl seat † automatically activated glow plugs † auxiliary hydraulics † bobcat interlock control. Hydraulic cap 7025626 6729896 bobcat standard duty tire. Model s185 bobcat loaders are equipped with the following standard items: Use bobcat hydraulic oil fluid to improve your. Hydraulic Oil Bobcat S185.
From www.bobcat.com
Bobcat Parts & Service Bobcat Company Hydraulic Oil Bobcat S185 For you, performance is paramount—and downtime is the enemy. Engine oil, hydraulic fluid, filter part numbers, service intervals and refill capacities Hydraulic cap 7025626 6729896 bobcat standard duty tire. Choose bobcat hydraulic fluids for peace of mind. How to check hydraulic fluid levels and add hydraulic fluid to a bobcat. † adjustable vinyl seat † automatically activated glow plugs †. Hydraulic Oil Bobcat S185.
From twentywheels.com
Bobcat S185 Skid Steer Loader High Flow Auxiliary Hydraulics Low Hour Hydraulic Oil Bobcat S185 Choose bobcat hydraulic fluids for peace of mind. How to check hydraulic fluid levels and add hydraulic fluid to a bobcat. Whether in scorching heat or. For you, performance is paramount—and downtime is the enemy. Model s185 bobcat loaders are equipped with the following standard items: † adjustable vinyl seat † automatically activated glow plugs † auxiliary hydraulics † bobcat. Hydraulic Oil Bobcat S185.
From www.bobcat.com
How To Replace Hydraulic Fluid on Bobcat Compact Excavators Bobcat Hydraulic Oil Bobcat S185 Hydraulic cap 7025626 6729896 bobcat standard duty tire. Choose bobcat hydraulic fluids for peace of mind. Model s185 bobcat loaders are equipped with the following standard items: Engine oil, hydraulic fluid, filter part numbers, service intervals and refill capacities How to check hydraulic fluid levels and add hydraulic fluid to a bobcat. For you, performance is paramount—and downtime is the. Hydraulic Oil Bobcat S185.
From www.vanderhaags.com
6687142 Bobcat S185 Hydraulic Motor for Sale Hydraulic Oil Bobcat S185 Whether in scorching heat or. Choose bobcat hydraulic fluids for peace of mind. Engine oil, hydraulic fluid, filter part numbers, service intervals and refill capacities A complete overview of all components such as. Use bobcat hydraulic oil fluid to improve your equipment’s performance, custom blended with the finest base oils and additives. How to check hydraulic fluid levels and add. Hydraulic Oil Bobcat S185.
From www.pinterest.com
500 Hour Maintenance Canister Filter Kit 7333700 for Bobcat Loader S160 Hydraulic Oil Bobcat S185 Hydraulic cap 7025626 6729896 bobcat standard duty tire. A complete overview of all components such as. How to check hydraulic fluid levels and add hydraulic fluid to a bobcat. Whether in scorching heat or. Engine oil, hydraulic fluid, filter part numbers, service intervals and refill capacities Model s185 bobcat loaders are equipped with the following standard items: Use bobcat hydraulic. Hydraulic Oil Bobcat S185.
From www.pinterest.com
Bobcat S175 S185 TURBO PARTS Manual, Maintenance Items Main Frame Hydraulic Oil Bobcat S185 Engine oil, hydraulic fluid, filter part numbers, service intervals and refill capacities Whether in scorching heat or. Hydraulic cap 7025626 6729896 bobcat standard duty tire. How to check hydraulic fluid levels and add hydraulic fluid to a bobcat. A complete overview of all components such as. For you, performance is paramount—and downtime is the enemy. Use bobcat hydraulic oil fluid. Hydraulic Oil Bobcat S185.
From www.aliexpress.com
Store Home Products Feedback Hydraulic Oil Bobcat S185 † adjustable vinyl seat † automatically activated glow plugs † auxiliary hydraulics † bobcat interlock control. Model s185 bobcat loaders are equipped with the following standard items: How to check hydraulic fluid levels and add hydraulic fluid to a bobcat. For you, performance is paramount—and downtime is the enemy. Use bobcat hydraulic oil fluid to improve your equipment’s performance, custom. Hydraulic Oil Bobcat S185.
From twentywheels.com
Bobcat S185 Skid Steer Loader High Flow Auxiliary Hydraulics Low Hour Hydraulic Oil Bobcat S185 Model s185 bobcat loaders are equipped with the following standard items: † adjustable vinyl seat † automatically activated glow plugs † auxiliary hydraulics † bobcat interlock control. A complete overview of all components such as. Use bobcat hydraulic oil fluid to improve your equipment’s performance, custom blended with the finest base oils and additives. Whether in scorching heat or. For. Hydraulic Oil Bobcat S185.
From www.ebay.com
Genuine Bobcat Hydraulic Hydrostatic Fluid Oil 1 Gallon SkidSteer FREE Hydraulic Oil Bobcat S185 † adjustable vinyl seat † automatically activated glow plugs † auxiliary hydraulics † bobcat interlock control. Choose bobcat hydraulic fluids for peace of mind. Use bobcat hydraulic oil fluid to improve your equipment’s performance, custom blended with the finest base oils and additives. Model s185 bobcat loaders are equipped with the following standard items: Whether in scorching heat or. Hydraulic. Hydraulic Oil Bobcat S185.
From picclick.com
BOBCAT 6661248 HYDRAULIC Oil Filter Compatible Bobcat S175 S185 S250 Hydraulic Oil Bobcat S185 For you, performance is paramount—and downtime is the enemy. Hydraulic cap 7025626 6729896 bobcat standard duty tire. Whether in scorching heat or. A complete overview of all components such as. Choose bobcat hydraulic fluids for peace of mind. How to check hydraulic fluid levels and add hydraulic fluid to a bobcat. Model s185 bobcat loaders are equipped with the following. Hydraulic Oil Bobcat S185.
From www.youtube.com
S185 Bobcat How to Hydraulic Change Oil YouTube Hydraulic Oil Bobcat S185 For you, performance is paramount—and downtime is the enemy. † adjustable vinyl seat † automatically activated glow plugs † auxiliary hydraulics † bobcat interlock control. Model s185 bobcat loaders are equipped with the following standard items: Use bobcat hydraulic oil fluid to improve your equipment’s performance, custom blended with the finest base oils and additives. Hydraulic cap 7025626 6729896 bobcat. Hydraulic Oil Bobcat S185.
From picclick.com
BOBCAT 6661248 HYDRAULIC Oil Filter Compatible Bobcat S175 S185 S250 Hydraulic Oil Bobcat S185 Engine oil, hydraulic fluid, filter part numbers, service intervals and refill capacities Model s185 bobcat loaders are equipped with the following standard items: Use bobcat hydraulic oil fluid to improve your equipment’s performance, custom blended with the finest base oils and additives. † adjustable vinyl seat † automatically activated glow plugs † auxiliary hydraulics † bobcat interlock control. Whether in. Hydraulic Oil Bobcat S185.